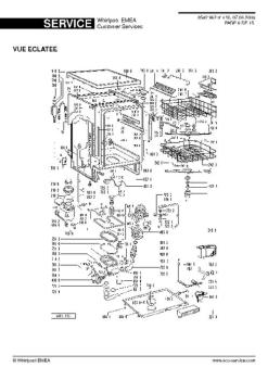
Despieces

Los despieces son representaciones gráficas que muestran la disposición y el nombre de cada componente de un electrodoméstico, facilitando así su identificación y sustitución.
Filtros

Lavavajillas Whirlpool ADP962-3 (854296201410)
Listado de repuestos
Los artículos de este aparato todavía no han sido clasificados.
Para poder ayudarle, le pedimos que llene el formulario de contacto e indique la pieza que necesita. Nos pondremos en contacto con usted en el menor tiempo posible para proporcionarle la información que requiera.
