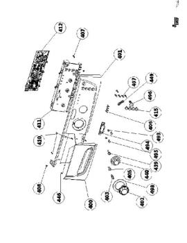
Despieces

Los despieces son representaciones gráficas que muestran la disposición y el nombre de cada componente de un electrodoméstico, facilitando así su identificación y sustitución.
Filtros

Lavadora / Secadora Teka TKE1200T BLANCA 0630 (40875500)
Para localizar la pieza exacta y evitar equivocaciones, solicita el despiece, identifica la parte que necesitas y selecciona el número correspondiente en la sección de Filtros.
Si no encuentra lo que necesita, no dude en contactar con nosotros.




